欢迎访问皕赫科学仪器(上海)有限公司
欢迎访问皕赫科学仪器(上海)有限公司
在线商城
CATEGORY
17765103945
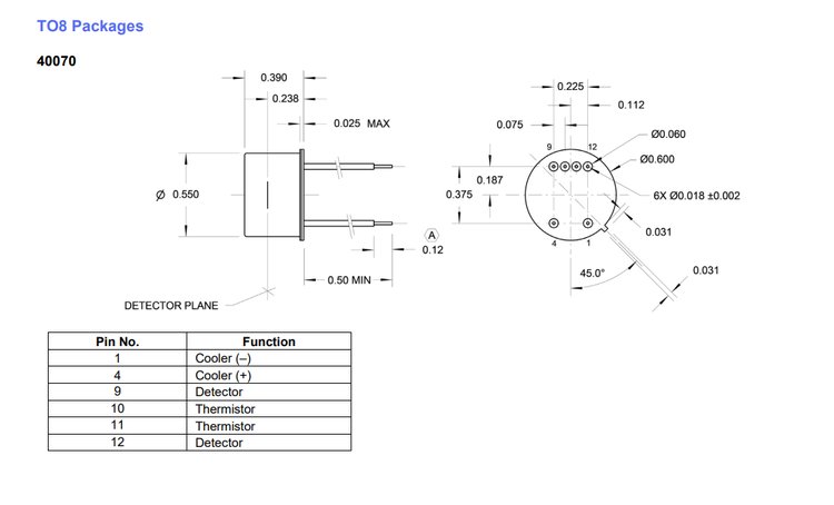
Opto Diode SXUV100光电二极管、光电探测器Opto Diode SXUV探测器特点 高辐射硬度和稳定的极紫外响应功能高抗辐射性低噪音性能宽谱响应应用程序极紫外光刻X射线光谱学同步辐射监测Opto Diode 的 SXUV 系列光电二极管专为精确检测极端紫外线 (EUV) 辐射、X 射线和电子而设计。这些探测器具有 20 mm² 的大圆形活性区域,在
Opto Diode SXUV100光电二极管、光电探测器
Opto Diode SXUV探测器特点 高辐射硬度和稳定的极紫外响应
功能
高抗辐射性
低噪音性能
宽谱响应
应用程序
极紫外光刻
X射线光谱学
同步辐射监测
Opto Diode 的 SXUV 系列光电二极管专为精确检测极端紫外线 (EUV) 辐射、X 射线和电子而设计。这些探测器具有 20 mm² 的大圆形活性区域,在 1 nm 到 200 nm 的波长范围内提供出色的响应性,使其成为高强 EUV 应用的理想选择。
Opto Diode SXUV100 光电二极管规格:







